日前,水泥人網微信公眾平臺發布了關于中聯水泥下屬企業技改成果分享的案例(相關鏈接:消聲降噪,潔靜環保,水泥建材降噪的首選!),引起行業企業重點關注,希望公布更多的技改細節。為此水泥人網市場部人員再次走進中聯水泥。
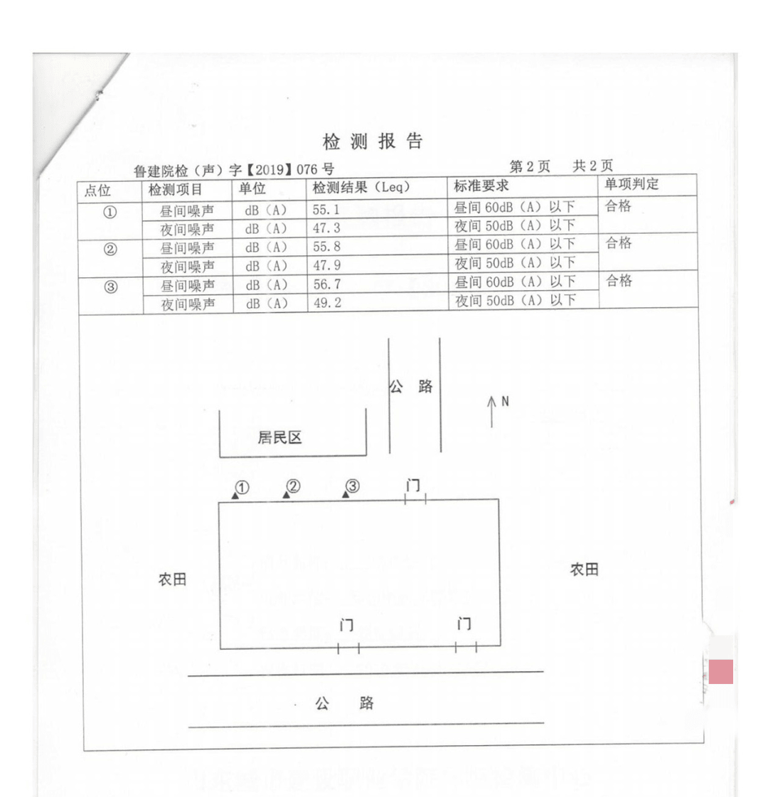
水泥企業相關負責人對水泥人網表示:“為了解使用效果,我們在廠界設置了三個點位,檢測結果發現,三個點位的晝間分貝均達到60dB以下,夜間分貝均達到50dB以下,符合二類噪聲排放標準,治理結果達到環保要求,并取得了工作環境良好的治理效果。”


上述水泥企業負責人還詳細介紹了降噪設備的生產企業——山東潔靜環保設備有限公司(以下簡稱“潔靜環保”)。“這家企業的降噪設備不僅外形美觀,內部結構也很合理,消聲量大、阻力小,在消聲、吸聲、隔聲、隔振、阻尼降噪等噪聲處理中性能表現優越,特別是能有效治理250Hz以下的低頻噪聲,既不影響設備性能的發揮,又能滿足設備巡檢及維修的需要。”

潔靜環保生產的風機消聲器系列產品是用于治理風機對環境所形成的空氣動力性噪聲的消聲裝置,是潔靜環保在經過30多年來的理論和實踐經驗基礎上,同山東科技大學、清華大學等高校多年合作,集國內外各家消聲器產品的優點,形成的獨特新型系列產品,擁有19項消聲器、隔聲罩(房)、隔聲門窗、吸聲降噪專利。
產品采用了對高、中頻噪聲起消聲作用的阻式結構和對中、低頻噪聲消聲作用的低頻消聲片結構及低頻消聲器、寬頻消聲器,同時在阻式通道中采用了中高頻及低頻多種消聲區,用以最大限度地增寬消聲頻帶,以實現良好的消聲效果,消聲器消聲量一般設計20-45dB(A),阻力小于50-200Pa,低頻消聲量優于國內同行業3-5dB(A),適用于各類鼓引風機、離心式及軸流式通風機進、出風道。
“我們是考察了多家水泥企業,又對企業產品深入‘研究’才最終選定的潔靜環保的”!
更多噪音治理技術咨詢:
默總 15110117563
褚總 13515380668 15615543666


